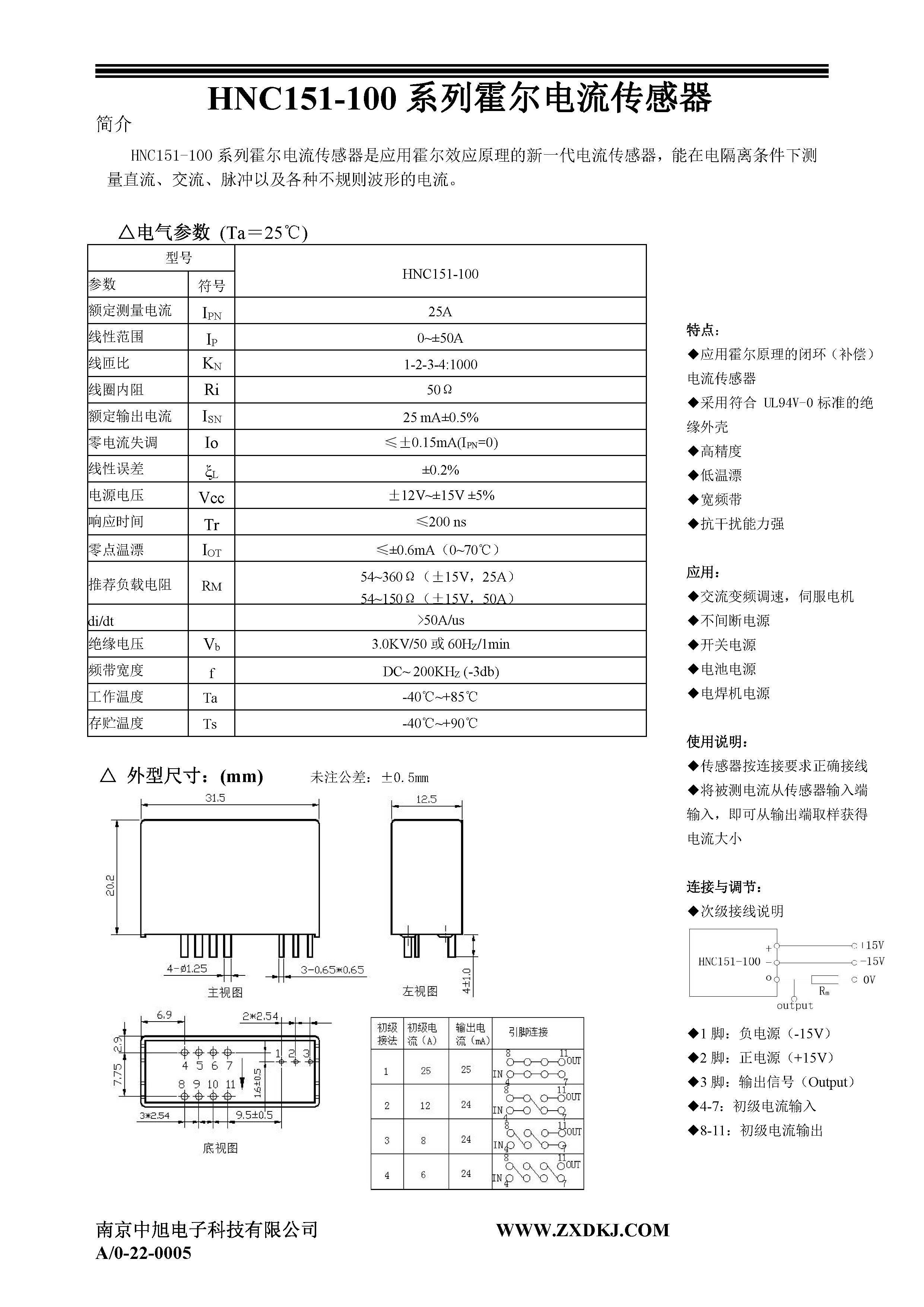
HNC151-100
HNC151-100 series Hall current sensor is a new generation of current sensor using the principle of Hall effect. It can measure currents of DC, AC, pulse and various irregular waveform under electrical isolation.
